
AUTOMOTIVE ANWENDUNGEN
Dünnschicht-Präzisionswiderstand 0,01%, TC2ppm, Drahtbondable, Anti-Korrosiv, MELF. Strommessung, Metall,...
Weiterlesen
Professionelle Dünnfilm -Chipwiderstand für Automobilqualität - Kunst..a Serie
ART..A Series0402 ±0.1% 25 1/10W Series21KΩ 10K/Reel
| Größe | Toleranz | TCR (ppm /℃) | Leistung | Widerstand (Ohm) | Verpackung |
|---|---|---|---|---|---|
| 0402 | ±0.1% | 25 | 1/10W | 21K | 10K/Reel |
| Item | Requirement | Test Method | |
|---|---|---|---|
| Temperature Coefficient of Resistance (T.C.R.) | As Spec. | MIL-STD-202 Method 304 +25/-55/+25/+125/+25°C | |
| Short Time Overload(Standard operation mode | Δ R± 0.10% | JIS-C-5201-1 4.13 RCWV x 2.5 or Max. overload voltage whichever is lower for 5 seconds | |
| Short Time Overload(Power operation mode | Δ R± 0.25% | ||
| Insulation Resistance | >1000 MΩ | MIL-STD-202 Method 302 Apply 100VDC for 1 minute | |
| Endurance | Standard at 70°C, 1000hrs, Δ R± 0.15% | MIL-STD-202 Method 108 RCWV with 1.5 hrs ON and 0.5 hrs OFF | |
| Standard at 70°C, 8000hrs, Δ R± 0.25% | |||
| Power at 70°C, 1000hrs, Δ R± 0.3% | |||
| Power at 70°C, 8000hrs, Δ R± 0.5% | |||
| Advanced temperature at 85°C, 1000hrs, Δ R± 0.5% | |||
| High Temperature Exposure | 125°C , Δ R± 0.15% | EN 60115-1 CLAUSE 4.25.3 1000 hrs | |
| 155°C , Δ R± 0.3% | |||
| 175°C , Δ R± 0.5% | |||
| Temperature Cycling | Δ R± 0.25% | JESD22 Method JA-104 -55°C to +155°C, 1000 cycles | |
| Biased Humidity | Standard operation mode Δ R± 0.5% | MIL-STD-202 Method 103 1000 hrs 85°C/85%RH 10% of operating power(≦100V) | |
| Bending Strength (Board Flex) | Δ R± 0.1% | JIS-C-5201-1 4.33 Bending once for 60 seconds. Bending displacement 0402 0603 0805 1206 size: 3mm | |
| Solderability | 95% min. coverage | JIS-C-5201-1 4.17 IEC-60115-1 4.17 245± 5°C for 3 seconds | |
| Resistance to Soldering Heat | Δ R± 0.1% | JIS-C-5201-1 4.18 IEC-60115-1 4.18 260± 5°C for 10 seconds | |
| Terminal strength | No broken | AEC-Q200-006 0402 0603: Force of 1.8kg for 60 seconds. Others: Force of 1.8kg for 60 seconds. | |
| Mechanical Shock | Δ R± 0.1% | MIL-STD-202 Method 213 Wave Form: Tolerance for half sine shock pulse. Peak value is 100g's. Normal duration (D) is 6. | |
| Vibration | Δ R± 0.1% | MIL-STD-202 Method 204 5 g's for 20 min., 12 cycles each of 3 orientations, 10-2000 Hz | |
| ESD | Δ R± 0.5% | AEC-Q200-002 Human body model 0402 0.2KV;0603 0.5KV; 0805 1.5KV; 1206 2.0KV | |
| Resistance to solvents | Marking Unsmeared | MIL-STD-202 Method 215 Add Aqueous wash chemical - OKEM Clean or equivalent. Do not use banned solvents. | |
| Flammability | No ignition of the tissue paper or scorching or the pinewood board | UL-94 V-0 or V-1 are acceptable. Electrical test not required. | |
| External Visual | No visible damage. | MIL-STD-883 Method 2009 Electrical test not required. Inspect device construction, marking and workmanship. | |
| Physical Dimension | As Spec | JESD22 Method JB-100 Verify physical dimensions to the applicable device detail specification. Note: User(s) and Suppliers Specification. Electrical test not required. | |
RCWV (Rated continuous working voltage)= √(P x R) or Max. Operating voltage whichever is lower.
☑ Storage Temperature: 15 ~ 28°C; Humidity < 80%RH
☑ Shelf Life: 2 years from production date.


Marking Table
| Code | E96 | Code | E96 | Code | E96 | Code | E96 | ||||
|---|---|---|---|---|---|---|---|---|---|---|---|
| 01 | 100 | 25 | 178 | 49 | 316 | 73 | 562 | ||||
| 02 | 102 | 26 | 182 | 50 | 324 | 74 | 576 | ||||
| 03 | 105 | 27 | 187 | 51 | 332 | 75 | 590 | ||||
| 04 | 107 | 28 | 191 | 52 | 340 | 76 | 604 | ||||
| 05 | 110 | 29 | 196 | 53 | 348 | 77 | 619 | ||||
| 06 | 113 | 30 | 200 | 54 | 357 | 78 | 634 | ||||
| 07 | 115 | 31 | 205 | 55 | 365 | 79 | 649 | ||||
| 08 | 118 | 32 | 210 | 56 | 374 | 80 | 665 | ||||
| 09 | 121 | 33 | 215 | 57 | 383 | 81 | 681 | ||||
| 10 | 124 | 34 | 221 | 58 | 392 | 82 | 698 | ||||
| 11 | 127 | 35 | 226 | 59 | 402 | 83 | 715 | ||||
| 12 | 130 | 36 | 232 | 60 | 412 | 84 | 732 | ||||
| 13 | 133 | 37 | 237 | 61 | 422 | 85 | 750 | ||||
| 14 | 137 | 38 | 243 | 62 | 432 | 86 | 768 | ||||
| 15 | 140 | 39 | 249 | 63 | 442 | 87 | 787 | ||||
| 16 | 143 | 40 | 255 | 64 | 453 | 88 | 806 | ||||
| 17 | 147 | 41 | 261 | 65 | 464 | 89 | 825 | ||||
| 18 | 150 | 42 | 267 | 66 | 475 | 90 | 845 | ||||
| 19 | 154 | 43 | 274 | 67 | 487 | 91 | 866 | ||||
| 20 | 158 | 44 | 280 | 68 | 499 | 92 | 887 | ||||
| 21 | 162 | 45 | 287 | 69 | 511 | 93 | 909 | ||||
| 22 | 165 | 46 | 294 | 70 | 523 | 94 | 931 | ||||
| 23 | 169 | 47 | 301 | 71 | 536 | 95 | 953 | ||||
| 24 | 174 | 48 | 309 | 72 | 549 | 96 | 976 | ||||
| Code | A | B | C | D | E | F | G | H | X | Y | Z |
|---|---|---|---|---|---|---|---|---|---|---|---|
| Multiplier | 10s0 | 101 | 102 | 103 | 104 | 105 | 106 | 107 | 10-1 | 10-2 | 10-3 |
0603 3digit marking for E24
Example: 101=100Ω 102=1KΩ
| E24 | 10 | 11 | 12 | 13 | 15 | 16 | 18 | 20 | 22 | 24 | 27 | 30 | 33 | 36 | 39 | 43 | 47 | 51 | 56 | 62 | 68 | 75 | 82 | 91 |
Packing Quantity & Reel Specifications (Unit :mm)
| Type | ØA | ØB | ØC | W | T | Paper Type(EA) | Emboss Plastic Tape(EA) | ![]() |
|---|---|---|---|---|---|---|---|---|
| ART02 | 178.0±1.0 | 60.0+1.0 | 13.5±0.7 | 9.5±1.0 | 11.5±1.0 | 10,000 | - | |
| ART03 | 178.0±1.0 | 60.0+1.0 | 13.5±0.7 | 9.5±1.0 | 11.5±1.0 | 5,000 | - | |
| ART05 | 178.0±1.0 | 60.0+1.0 | 13.5±0.7 | 9.5±1.0 | 11.5±1.0 | 5,000 | - | |
| ART06 | 178.0±1.0 | 60.0+1.0 | 13.5±0.7 | 9.5±1.0 | 11.5±1.0 | 5,000 | - |
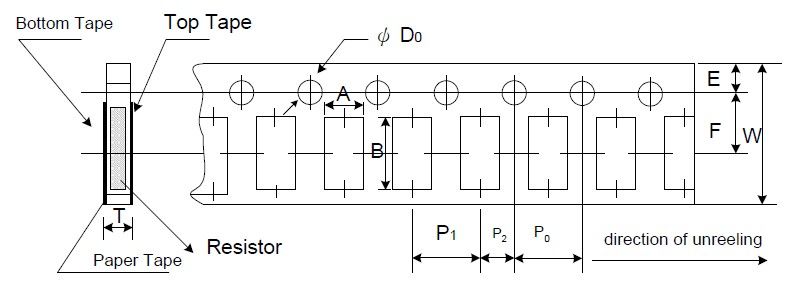
Paper Tape Specifications

| Type | A (mm) | B (mm) | W (mm) | E (mm) | F (mm) | P0 (mm) | P1 (mm) | P2 (mm) | ØD0 (mm) | T (mm) |
|---|---|---|---|---|---|---|---|---|---|---|
| ART02 | 0.70 ± 0.05 | 1.16 ± 0.05 | 8.00 ± 0.10 | 1.75 ± 0.05 | 3.5 ± 0.05 | 4.00 ± 0.10 | 2.00 ± 0.05 | 2.00 ± 0.05 | 1.55 ± 0.05 | 0.40 ± 0.03 |
| ART03 | 1.10 ± 0.05 | 1.90 ± 0.05 | 8.00 ± 0.10 | 1.75 ± 0.05 | 3.5 ± 0.05 | 4.00 ± 0.10 | 4.00 ± 0.10 | 2.00 ± 0.05 | 1.55 ± 0.05 | 0.60 ± 0.03 |
| ART05 | 1.60 ± 0.05 | 2.37 ± 0.05 | 8.00 ± 0.10 | 1.75 ± 0.05 | 3.5 ± 0.05 | 4.00 ± 0.10 | 4.00 ± 0.10 | 2.00 ± 0.05 | 1.55 ± 0.05 | 0.75 ± 0.05 |
| ART06 | 2.00 ± 0.05 | 3.55 ± 0.05 | 8.00 ± 0.10 | 1.75 ± 0.05 | 3.5 ± 0.05 | 4.00 ± 0.10 | 4.00 ± 0.10 | 2.00 ± 0.10 | 1.55 ± 0.05 | 0.75 ± 0.05 |
■ Peel force of top cover tape.
■ The peel speed shall be about 300mm/min ± 5%.
■ The peel force of top cover tape shall be between 8gf to 60gf.

| Type | A | B | W | E | F | P0 | P1 | P2 | ΦD0 | T |
|---|---|---|---|---|---|---|---|---|---|---|
| ART03 | 1.10±0.05 | 1.90±0.05 | 8.00±0.10 | 1.75±0.05 | 3.5±0.05 | 4.00±0.10 | 4.00±0.10 | 2.00±0.05 | 1.55±0.05 | 0.60±0.03 |
☑ Peel force of top cover tape
☑ The peel speed shall be about 300mm/min±5%
☑ The peel force of top cover tape shall be between 8gf to 60gf


Dünnschicht-Präzisionswiderstand 0,01%, TC2ppm, Drahtbondable, Anti-Korrosiv, MELF. Strommessung, Metall,...
Weiterlesen
Keramische Hochfrequenz-Chip-Induktivitäten, kleine Größe bis 01005. Dünnschicht-, Multilayer-, Drahtgewickelte-,...
Weiterlesen
Multilayer-Keramikkondensatoren bieten hohe Spannung, hohe Frequenz, geringes Rauschen, hohe Q, niedrigen...
Weiterlesen