
チップ共通モードチョーク (CMシリーズ CMH06MT900)
CMH06MT900
チップコモンモードフィルターは、フェライトコアと2つの線タイプのワイヤーが巻かれた小型チップインダクタです。ノイズバンドでの高いコモンモードインピーダンスと信号バンドでの低い差動モードインピーダンスを持ち、高いカップリングファクターで低い差動モードインピーダンスを実現し、ノイズ抑制に非常に効果的です。高速信号においてほとんど歪みがありません。一般的に、あらゆる電子機器のEMI放射ノイズ抑制に使用されます。
CM Series1206 ±20% 90μH 0.3 Ω 370mA 125V 10MΩ min.
| サイズ | 公差 | インダクタンス | 試験条件 | DCR (Ω) 最大 | IDC (mA) | 定格電圧 | 耐圧 Vdc (V) | 絶縁抵抗 (MΩ) 最小。 |
|---|---|---|---|---|---|---|---|---|
| 1206 | ±20% | 90 | 100MHz | 0.3 | 370 | 50 | 125 | 10 |
環境特性
Electrical Performance Test
| Items | Requirement | Test Conditions / Test Methods |
|---|---|---|
| Impedance | Refer to standard electrical characteristic spec. Component should not be damaged | LCR Meter HP 4291B |
| DC Resistance DCR | Micro-Ohm meter (GOM-801G) | |
| Withstand Voltage (VDC) | Test Voltage: 2.5 Times Rated Voltage Testing Time: 60 seconds Charge Current: 0.5mA | |
| Rated Voltage (VDC) | Test Voltage: Rated Voltage Testing Time: 1 to 5 seconds Charge Current: 1mA | |
| Insulation Resistance (I.R) | Charge Current: 1minute 10M ohm min. |
Mechanical Performance Test
| Items | Requirement | Test Conditions / Test Methods |
|---|---|---|
| Component Adhesion (Push Test) | Base: 0805≧2 Lbs Cover: 0805≧1 Lbs Base: 1206≧4 Lbs Cover: 1206≧2 Lbs | The component should be soldered (232°C± 5°C for 10 sec.) to tinned copper substrate Applied force gauge to the side of component It must withstand force of 2 or 4 pounds without failure of the component. |
| Drop | Component should not be damaged | Dropping chip by each side and corner. Drop 10 times in total Drop height: 100 cm Drop weight: 125 g |
| Solderability | The terminal should at least be 90% covered with solder | The component shall be dipped in a melted solder bath at 245 ±5℃ for 3 seconds |
| Vibration Test (Low Frequency) | Component should not be damaged | 1. Amplitude: 1.5 m/m 2. Frequency: 10-55-10Hz (1min.) 3. Direction: X, Y, Z 4. Duration: 2 Hrs/X, Y, Z |
Climatic Test
| Items | Requirement | Test Conditions / Test Methods |
|---|---|---|
| Low Temperature Storage | Impedance change: Within± 20% Without distinct damage in appearance | 1. Temp: -40 ±2°C 2. Time: 1000±48 Hours 3. Component should be tested after 1hour at room temperature |
| Thermal Shock | ![]() Total: 5 Cycles | |
| High Temperature Storage | 1. Temp: 85 ± 2°C 2. Time: 1000 ± 48 Hours 3. Component should be tested after 1hour at room temperature | |
| Humidity | 1. Temp: 40 ± 2°C 2. R.H. : 90 ~ 95% 3. Time: 48 ±2 Hours | |
| High Temperature Load Life | There should be no evidence of short or open circuit | 1. Temp: 85 ± 2°C 2. Time: 96 ± 12 Hours 3. Load: Allowed DC Current |
| Low Temperature Load Life | 1. Temp: -40 ± 2°C 2. Time: 96 ± 12 Hours 3. Load: Allowed DC Current |
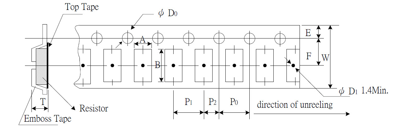
パッケージング
Packaging Quantity & Reel Specifications

| Type | ΦA | ΦB | ΦC | W | T | Quantity (EA) |
|---|---|---|---|---|---|---|
| CMH05 | 178±2.0 | 60±0.5 | 13±0.3 | 9±0.3 | 11.4±1.0 | 2000 |
| CMH06 | 178±2.0 | 60±0.5 | 13±0.3 | 9±0.3 | 11.4±1.0 | 2000 |
Embossed Plastic Tape Specifications

| Type | A (mm) | B (mm) | W (mm) | E (mm) | F (mm) | P0 (mm) | P1 (mm) | P2 (mm) | ΦD0 (mm) | T (mm) |
|---|---|---|---|---|---|---|---|---|---|---|
| CMH05 | 1.40±0.10 | 2.55±0.05 | 8.0±0.20 | 1.75±0.10 | 3.5±0.10 | 4.00±0.10 | 4.00±0.10 | 2.00±0.10 | 1.50+0.10 | 1.35±0.10 |
| CMH06 | 1.90±0.10 | 3.50±0.05 | 8.0±0.20 | 1.75±0.10 | 3.5±0.10 | 4.00±0.10 | 4.00±0.10 | 2.00±0.10 | 1.50+0.10 | 2.10±0.10 |
Peel-off Force
The force for tearing off cover tape is 0.05~0.69 (N) in the arrow direction at the following conditions:
Temperature: 5 ~ 35°C
Humidity: 45 ~ 85%
Atmospheric pressure: 860 ~ 1060hpa

主な製品







